Training for Bushing Compounding, Design and Testing
Training for Bushing Compounding, Design and Testing

Section 10

Examples & Miscellaneous

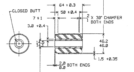
How to Dimension a Bushing

This Section Will Review:

 A wide variety of shapes and durometers of bushings used in automotive and non automotive applications.

 Examining static and dynamic rates at a variety of strain inputs.

busing radial static rate vs % input strain graph
axial direction dynamic sweep graph
If you need static or dynamic rates for your bushing click here to contact us with the proposed construction, durometer and dimensions and we will calculate your rates and compare to our data base.

Want to learn more?

We offer both the convenience of in-house training with Zoom or Webex as well as courses at select Universities.